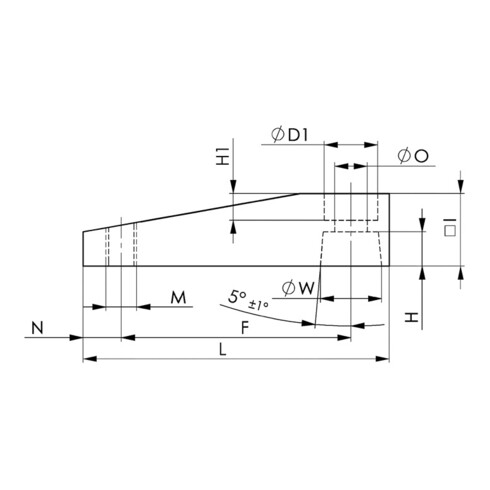
hochfeste Aluminiumlegierung, schwarz · verschleißfeste Oberfläche durch HART-COAT®-Beschichtung, schweißpartikelabweisend · einbaufertig mit Konus und Anschlussgewinde für Andrückschrauben Nr. 6880Hinweis:Spannarmmontage: 1) Spannarm mit Federring und Schraube spielfrei anlegen. 2) Spannarm in Position drehen. 3) Spannarm mit Schraubenschlüssel festhalten und Schraube anziehen. Spannarmdemontage: 1) Spannarm mit Schraubenschlüssel festhalten und Schraube lösen. 2) Spannarm mit leichten Schlägen (Kunststoffhammer) von unten von der Kolbenstange trennen. Achtung: Keine seitl. Schläge zulässig! · Weitere technische Eigenschaften H1: 6mm · L: 64mm · O: 8,5mm · Material: Aluminium · W: 12mm · I: 16mm · F: 48mm · M: M6mm · H: 8mm · N: 6mm · D1: 14mm
EAN/GTIN: 4020772092504